Lăng Phun Tạo Bọt AFC 170 Lăng tạo bọt Anggule là thiết bị xả bọt có hút không khí, chúng được dùng để bảo vệ nhiều dạng bể chứa chất lỏng dễ cháy khác nhau
Lăng Phun Tạo Bọt AFC 170
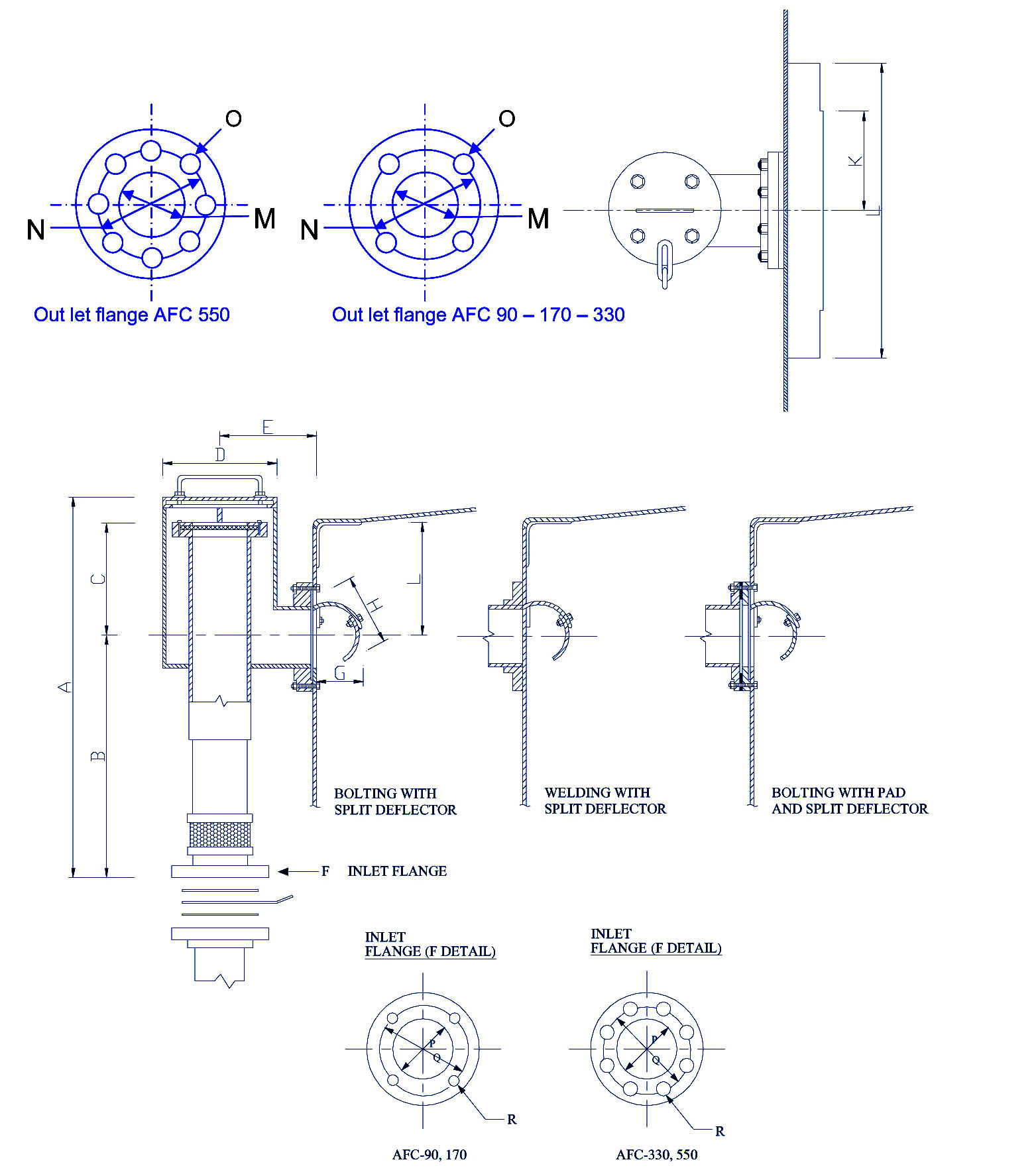
Mô tả chi tiết lăng áp bồn AFC 170
♦ AFC 90
Ngõ vào D76-ngõ ra: D90
♦ AFC 170
Đầu vào D90- đầu ra: D114
♦ AFC 330
Đầu vào: D114- đầu ra: D150
♦ AFC 550
Đầu vô D220- Đầu ra D150
Vật liệu: thép carbon
Áp suất làm việc: 2.7-7 kg/cm2
Áp suất đầu vào tối thiểu: 276 KPa
Áp suất đầu vào tối đa: 696 KPa
Chiều cao: 79,5 cm
Trọng lượng: 25,5 Kg
PCCC Phát Đạt bán hàng xuyên suốt cả tuần kể cả ngày Lễ và Chủ Nhật (Thời gian từ 7:00 sáng đến 22:00 tối mỗi ngày )
Khi quý khách cần mua hàng cứ nhấc máy gọi hoặc nhắn qua Zalo mọi lúc mọi nơi gặp Mr Tài ☎️ 0903 340 114 ( Zalo/Call ), chúng tôi phục vụ giao hàng nhanh chóng 15 phút trong phạm vi nôi thành HCM
❣️ Giao hàng nhanh chóng trong 15 phút quý khách nhận được hàng .
❣️ Chiết khấu 10 - 20 % tùy vào đơn hàng số lượng mua sỉ .
❣️ Sản phẩm được bảo hành 12 tháng, vận chuyển trên toàn quốc.
❣️ Quý khách mua sỉ vui lòng liên hệ☎️ 0903 340 114 ( Zalo/Call ) để nhận báo giá tốt nhất về thiết bị chữa cháy Foam
Catalogue lăng tạo bọt - lăng phun áp bồn AFC 170
Ứng dụng lăng tạo bọt AFC 170
Lăng tạo bọt áp bồn (AFC) là thiết bị xả bọt có hút không khí, chúng được dùng để bảo vệ nhiều dạng bể chứa chất lỏng dễ cháy khác nhau. Lăng tạo bọt AFC được định nghĩa theo tiêu chuẩn NFPA 11 theo kiểu đường dẫn xả loại hai để dẫn bọt đi tới bề mặt một chất lỏng dễ cháy. Chúng thường được dùng với bình chứa có túi đàn hồi hoặc các xe chở bọt. Các lăng tạo bọt kiểu này được dùng với các loại bọt có độ giãn nở thấp được xác định là phù hợp với chất lỏng dễ cháy cần được bảo vệ.
Địa chỉ mua lăng phun foam chữa cháy uy tín giá rẻ
PCCC Phát Đạt mang đến cho quý khách hàng sản phẩm chính hãng, mới 100%, đúng xuất xứ và tiêu chuẩn của nhà sản xuất, giá tốt nhất thị trường, cùng giải pháp hoàn hảo nhất .
Đội ngũ kỹ sư, kỹ thuật viên chuyên nghiệp có trình độ cao, được đào tạo liên tục và trải qua các cuộc thi, kiểm tra trình độ, kỹ năng, nghiệp vụ, an toàn khi đạt tiêu chuẩn.
Khách hàng cần tìm thiết bị chữa cháy TPHCM chính hãng, cần đối tác cung cấp bình chữa cháy, thiết bị chữa cháy chất lượng đúng giá, chiết khấu cao liên hệ tại Nhà nhập khẩu thiết bị PCCC chuyên nghiệp Phát Đạt
Mọi chi tiết mua hàng liên hệ
CÔNG TY TNHH XKN TM DV PHÁT ĐẠT
Địa chỉ : 116 Lương Thế Vinh, P. Tân Thới Hòa, Q. Tân Phú, TPHCM
Hotline : 0903 340 114 ( Zalo/Call ) - 0934 022 114 ( Call )
Email : pccc114tphcm@gmail.com
Website : www.phongchaytphcm.com - www.napbinhchuachayphatdat.com


